欢迎光临山东卓力液压支架生产厂家官方网站! 设为首页 | 加入收藏
他们都在搜索:液压支架 液压支架千斤顶 液压支架立柱 液压支架换向阀 液压支架密封件
产品中心
联系方式
山东卓力液压支架生产厂家
地 址:济宁任城区南张工业园
联系人:曹经理
手 机:18605374511
电 话:0537-7970778
传 真:0537-2208001
Q  Q:1756007368
邮 箱:zhuoligk@163.com
网 址:http://www.oshiete-sakimono.com/
液压支架管路件当前位置: 首页>>产品中心>>液压支架管路件

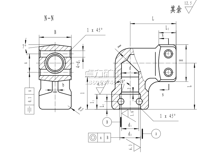
弯通

弯通_KJ弯通_DN弯通_液压支架弯通
弯通是管道安装中常用的一种连接用管件,连接两根公称通径相同或者不同的管子,使管路做一定角度转弯。
弯通

序号 图号 产品名称 规格型号 单位
1 KJ6-10 弯通  
2 KJ6-13 弯通  
3 J2-10 弯通 DN10
4 J2-12.5 弯通 DN12
5 J2-19 弯通 DN20
6 J2-25 弯通 DN25
7 KJ6-10 弯通  
 


一、弯通的主要技术参数:
 

弯通规格
 
二、弯通的用途及功能:
弯通是管道安装中常用的一种连接用管件,连接两根公称通径相同或者不同的管子,使管路做一定角度转弯。 
三、弯通的使用位置:
用在液压系统的各种管路当中和阀管之间等。
四、弯通在运输、安装或者使用时注意事项:
1.运输中要保护好管接头不受损坏、锈蚀等,管接头孔要用塑料帽、堵保护好,在工作现场安装时才能去掉。
2.拆卸或更换时,应在相关液压缸卸载后操作,防止伤人;接通各个液压管路前,放出少许乳化液冲刷系统和液压部件,以免赃物带入系统。
3.在进行检修工作中,绝不能带压拆卸,需要拆卸更换时,必须关闭主进液管路。
五、弯通的常见故障、原因与排除方法:
 
部位 故障现象 可能原因 排除方法
弯通 管接头损坏 1、升降、推移架过程被挤碰坏
2、装卸困难,加工尺寸或密封圈不合格
3、密封面或O形圈损坏,不能密封
4、接头体渗液为锻件裂纹气
1、损坏接头及时更换
2 、拆检、密封圈不当要更换
3 更换密封圈或接头
4 更换接头
  
copyright (c) 2016 山东卓力液压支架生产厂家 版权所有 鲁ICP备13002216号-13
地址:济宁市任城区南张工业园 销售热线:18605374511 18953724511
电话:0537-7970778 2558089 传真:0537-2208001 点击这里给我发消息