欢迎光临山东卓力液压支架生产厂家官方网站! 设为首页 | 加入收藏
他们都在搜索:液压支架 液压支架千斤顶 液压支架立柱 液压支架换向阀 液压支架密封件
产品中心
联系方式
山东卓力液压支架生产厂家
地 址:济宁任城区南张工业园
联系人:曹经理
手 机:18605374511
电 话:0537-7970778
传 真:0537-2208001
Q  Q:1756007368
邮 箱:zhuoligk@163.com
网 址:http://www.oshiete-sakimono.com/
液压支架管路件当前位置: 首页>>产品中心>>液压支架管路件

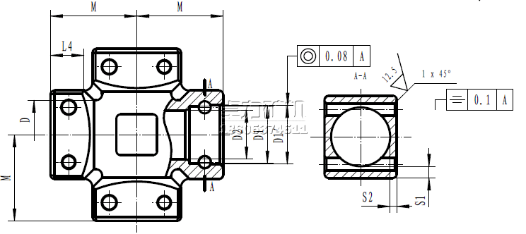
四通

四通_DN10四通_DN12四通_DN20四通_液压支架四通
四通用在液压系统的各种管路当中和阀管之间等。四通是液压系统管路连接的金属件,使得液体能顺利进入到各自独立的分支系统的管路.
四通

序号 图号 产品名称 规格型号 单位
1 KJ9-10 四通  
2 KJ9-13 四通  
3 KJ9-19 四通  
4 S2-10 四通 DN10
5 S2-12.5 四通 DN12
6 S2-19 四通 DN20
一、四通的主要技术参数:
 四通的主要技术参数

四通
 
二、四通的用途及功能:
       四通是液压系统管路连接的金属件,使得液体能顺利进入到各自独立的分支系统的管路,依靠液压元件及执行机构来实现液压支架所需的各种动作。
三、四通的使用位置:
     用在液压系统的各种管路当中和阀管之间等。
四、四通在运输、安装或者使用时注意事项:
       1.运输中要保护好管接头不受损坏、锈蚀等,管接头孔要用塑料帽、堵保护好,在工作现场安装时才能去掉。
       2.拆卸或更换时,应在相关液压缸卸载后操作,防止伤人;接通各个液压管路前,放出少许乳化液冲刷系统和液压部件,以免赃物带入系统。
       3.在进行检修工作中,绝不能带压拆卸,需要拆卸更换时,必须关闭主进液管路。
五、四通的常见故障、原因与排除方法:
部位 故障现象 可能原因 排除方法
四通 管接头漏液 1、密封面磨损或尺寸超差
2、保存和运输时,密封面被损坏或锈蚀;
3、更换时猛砸硬插,挤碰接头。
1、直接更换
2、保存和运输时,必须保护密封面不被损坏和锈蚀;
3、更换时不要猛砸硬插,安好后不要拆装过频,平时注意整理,防止挤碰接头。

copyright (c) 2016 山东卓力液压支架生产厂家 版权所有 鲁ICP备13002216号-13
地址:济宁市任城区南张工业园 销售热线:18605374511 18953724511
电话:0537-7970778 2558089 传真:0537-2208001 点击这里给我发消息