高压胶管扣压接头由芯子,外套组成。高压胶管接头外套和胶管外壁扣压到一起,组合成一个胶管连接头。

| 序号 | 图号 | 产品名称 | 规格型号 | 单位 |
|---|---|---|---|---|
| 1 | W2-10 | 外套 | JWT-10 | 个 |
| 2 | W4-10 | 外套 | JWT-10A | 个 |
| 3 | W2-12.5 | 外套 | JWT-13 | 个 |
| 4 | W4-12.5 | 外套 | JWT-13A4 | 个 |
| 5 | W2-16 | 外套 | JWT-16 | 个 |
| 6 | W4-16 | 外套 | JWT-16A | 个 |
| 7 | W2-19 | 外套 | JWT-19 | 个 |
| 8 | W2-25 | 外套 | JWT-25 | 个 |
| 9 | W4-25 | 外套 | JWT-25A | 个 |
| 10 | JWT-32 | 外套 | JWT-32 | 个 |
| 11 | W2-38 | 外套 | JWT-38 | 个 |
| 12 | W4-51 | 外套 | DN50 | 个 |
| 13 | W2-10 | 外套 | DN10*2(JWT-10) | 个 |
| 14 | W4-10 | 外套 | DN10S*4(JWT-10A) | 个 |
| 15 | W2-12.5 | 外套 | DN12*2(JWT-13) | 个 |
| 16 | W4-12.5 | 外套 | DN12*4(JWT-13A4) | 个 |
| 17 | W2-16 | 外套 | DN16*2(JWT-16) | 个 |
| 18 | W2-19 | 外套 | DN20*2(JWT-19) | 个 |
| 19 | W4-19 | 外套 | DN20*4(JWT-19A) | 个 |
| 20 | W2-25 | 外套 | DN25*2(JWT-25) | 个 |
| 21 | W4-25 | 外套 | DN25*4(JWT-25A) | 个 |
| 22 | W4-32 | 外套 | DN32*4(DN32) | 个 |
| 23 | W2-38 | 外套 | DN38*2(JWT-38) | 个 |
| 24 | W4-38 | 外套 | DN38*4 | 个 |
| 25 | W6-38 | 外套 | DN38S*6(DN38S) | 个 |
一、外套的主要技术参数:

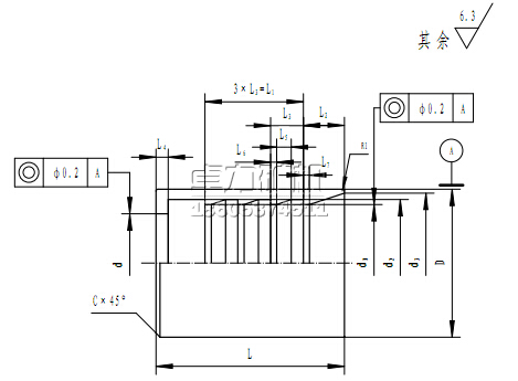
高压胶管接头外套型号

二、外套的用途及功能:
高压胶管接头外套和胶管外壁扣压到一起,组合成一个胶管连接头。
三、外套的使用位置:
用于胶管外壁。

高压胶管接头外套型号

二、外套的用途及功能:
高压胶管接头外套和胶管外壁扣压到一起,组合成一个胶管连接头。
三、外套的使用位置:
用于胶管外壁。
![[field:title function='html2text(@me)'/]](/static/upload/image/20251217/1765938453651397.jpg)
![[field:title function='html2text(@me)'/]](/static/upload/image/20251217/1765938370253855.jpg)
![[field:title function='html2text(@me)'/]](/static/upload/image/20250915/1757906885102576.png)